首页
走进澳粤
企业概况
企业文化
资质荣誉
服务团队
技术与设备
铝材生产设备
门窗生产设备
工程案例
国内工程案例
国际工程案例
信息资讯
新闻资讯
人才招聘
联系我们
产品与营销服务
建筑铝材
工业铝材
高端门窗系统
高端全铝家具
招商加盟
加盟商略影
招商优势
招商条件
您现在的位置:首页 > 产品展示 >
建筑铝材
工业铝材
高端门窗系统
高端全铝家具
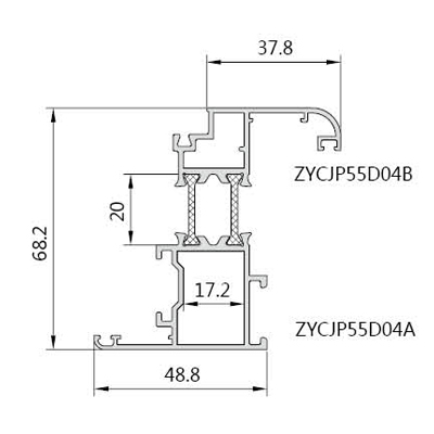
ZYCJP60G04
产品详情